Impulsisolator / kontaktforstærker, NPN-udgang

3202

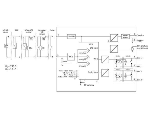
NPN-/NAMUR-/kontaktindgang, 2 NPN-udgange, isoleret indgang/udgange/forsyning, forsyning via power rail / terminaler
  • Indgang: NAMUR, NPN åben kollektor, kontakt
  • Udgang: 2 x relæ eller NPN-transistorudgang
  • 2,5 kVAC, 4-ports galvanisk isolation
  • Kabelfejls- / kabelbrudsdetektering (LFD)
  • Spændingsforsyning 16,8 VDC…31,2 VDC

Udgang

Forsyning

Bemærk: Produkter fra webshoppen leveres med standardopsætning.

Performance
made smarter

Ved at klikke på »Accepter alt« accepterer du, at vi kan indsamle oplysninger om dig til forskellige formål, herunder: Statistik og markedsføring